產品中心
解決方案
聯系我們
深圳市東么川伺服控制技術有限公司
電話:13316379101
郵箱:1355229533@qq.com
地址:深圳市龍華區民治街道樟坑社區青創城A棟B502
110二相步進電機

型號:110mm
名稱:110二相步進電機
簡介:
- 規格參數
- 產品特點
- 產品尺寸圖
- 匹配產品
- 應用領域
- 資料下載

| 項目 | 技術參數 |
| 步距角 | 1.8° |
| 步距角精度 | ±5%(整步,空載) |
| 電阻精度 | ±10%(@20°) |
| 電感精度 | ±20%( 1KHz) |
| 溫升 | 80℃Max.(額定電流,2相通電) |
| 環境溫度 | -20°~ + 50℃ |
| 絕緣電阻 | 100MΩMin.500VDC |
| 耐壓 | 500VAC/Min |
| 徑向間隙 | 0.02mmMax.(450g負載) |
| 軸向間隙 | 0.08 mmMax.(450g負載) |
| 徑向最大負載 | 220N(距法蘭面20mm) |
| 軸向最大負載 | 60N |
型號參數:
| 型號 | 步距角 (度) | 額定電流(A) | 相電阻 (Ω) | 相電感 (mH) | 保持轉矩(N.M) | 轉子慣量(g.c㎡) | 重量 (kg) | 機身長 (mm) | 軸徑 (mm) | 引線數 |
| 110HS12 | 1.8 | 5.5 | 0.70 | 9.80 | 11.20 | 5500 | 5.00 | 99 | 19 | 4 |
| 110HS20 | 1.8 | 6.5 | 0.72 | 11.50 | 21.00 | 10900 | 8.40 | 150 | 19 | 4 |
| 110HS28 | 1.8 | 8 | 0.67 | 12.00 | 28.00 | 16200 | 11.70 | 201 | 19 | 4 |
該系列步進電機具有輸出轉矩大、低溫升、低噪聲、低振動的特點,可靠性和穩定性高。電機運行平穩,無明顯的振蕩區,可滿足自動化行業不同工況的使用。
●雙極性 1.8°
●機座號:110
●保持轉矩:11.20~28N.M
●輸出轉矩大 ,高轉速
●電機發熱小,噪音低,效率高
●高速停止平穩快速,無零速振蕩運行平穩,振動噪聲小
●響應速度快,適合頻繁啟停的場合
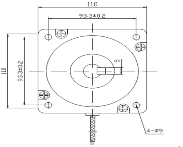
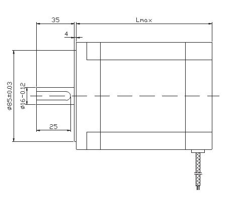
步進電機外形尺寸圖:

步進電機接線方式:
110mm系列兩相步進電機,基于業界先進的磁路設計方案。在選材上,采用耐高溫永磁體和優質冷軋鋼片制造,選用NSK軸承,電機表面經噴塑或鋁殼密封處理。
- 上一篇:沒有了!
- 下一篇:42步進電機 混合式二相
相關產品:兩相步進電機
相關產品:無刷電機
相關產品:兩相步進驅動器
相關產品:產品中心



























地址 ADDRESS